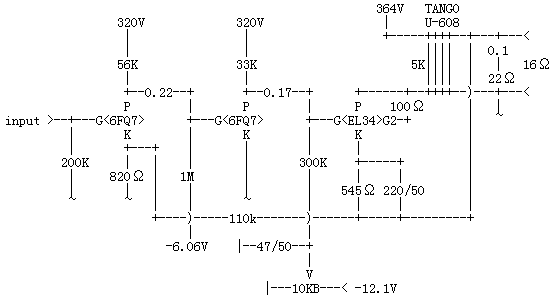
EL343結シングル・アンプその3回路図


アンプ部

電源部

抵抗の表示--------100Ω、1K、1M
コンデンサの表示---1500pF、0.068、10/25